Receiver Module
Product Description
MODEL NO. RX-3302DL
1. Sensitivity : -100 dbm or -98 dbm
2. Current Consumption : 0.75mA or 1.2mA
3. Working Voltage : 5V or 3V
4. Modulation : ASK
5. Decoder : Built-in
6. Channel : 2, 4 optional
7. Data Rate : 2.5K/s
8. Bandwidth : 13M
9. Reference Distance : 75~85M
10. Size : 50.1 x 18.2 mm
Product Character
RX-3302DL is a series of radio frequency receiver modules, which can facilitate the OEM designers to design their applications in remote control in the quickest way. The circuit is designed with SMD components and the module size is small enough to be able to be fitted in many remote control applications. Decoder software, transmitter code learning and nonvolatile memory have all been integrated in.
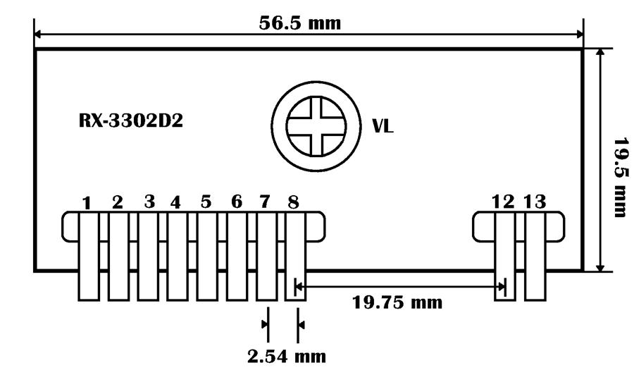
MECHANICAL DIMENSIONS AND PIN-OUT
RX-3302DL-2
| PIN 1: GND | PIN 2: Digital Output |
| PIN 3: VCC (5V DC) | PIN 4: Linear Output (For Testing) |
| PIN 5: Valid Time | PIN 6: D0 |
| PIN 7: Learning Acknowledge | PIN 8: D1 |
| PIN 12: ANT (Antenna) | PIN 13: GND |
RX-3302DL-4
| PIN 1: GND | PIN 2: Digital Output |
| PIN 3: VCC (5V DC) | PIN 4: Linear Output (For Testing) |
| PIN 5: Valid Time | PIN 6 : D0 |
| PIN 7 : Learning Acknowledge | PIN 8 : D1 |
| PIN 9 : VPP, for factory programming only, no connection. | |
| PIN 10 : D2 | PIN 11 : D3 |
| PIN 12 : ANT (Antenna) | PIN 13 : GND |
Application
n Automotive remote entry systems
n Automotive alarm systems
n Automotive immobilizer
n Gate and garage door openers
n Electronic door locks
n Identity tokens
n Burglar alarm systems






